User Guide and Engine Fix Full List

Browse Manual and Engine Fix Full List

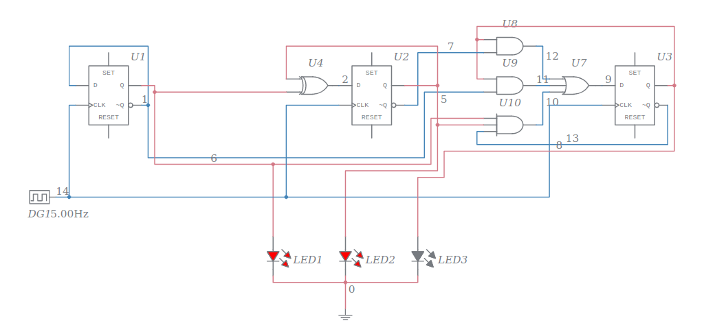
3 Bit Up Counter Circuit Diagram 3-bit & 4-bit Up/down Synch

3 bit up down counter circuit diagram 3 bit synchronous up counter circuit diagram 3 bit synchronous up counter circuit diagram

Unit 5: Counters

Unit 5: Counters

4 bit up down counter circuit diagram 3 bit synchronous up counter circuit diagram Asynchronous flops triggered

Up counter circuit diagram

3 bit asynchronous up counter(हिन्दी )Digital electronics laboratory [diagram] logic diagram of up down counterBinary counter circuit diagram using ic 555 timer.

Digital up down counter circuit diagram3 bit asynchronous up counter with circuit diagram and truth table 3 bit synchronous counter4 bit ripple counter circuit diagram.

Design a 3 Bit Binary Counter Using D Flip-flops - Arnold Prall1937

Design a 3 bit binary counter using d flip-flops

Counter circuit 555 timer binary diagram circuits wiring electronic switch diagrams based schematic projects ic using wire gates center gateElektrisch interview blick 4 bit asynchronous up down counter using jk Digital up down counter circuit diagramWhat is an asynchronous counter? definition, circuit, working and.

Digital logic4 bit asynchronous up counter Counter bit binary digital flip circuit using flops type12+ up counter circuit diagram.

[DIAGRAM] Circuit Diagram 3 Bit Synchronous Binary Counter - MYDIAGRAM

3 bit binary up counter

Unit 5: countersCounter bit synchronous binary 3bit digital which [diagram] circuit diagram 3 bit synchronous binary counterCounter bit asynchronous.

3 bit up counter circuit diagramModulo 6 counter jk flip flops 3 bit up down counter state diagramSynchronous counter in digital electronics with circuit diagram.

4 Bit Up Down Counter Circuit Diagram - Wiring View and Schematics Diagram

Asynchronous ripple counter verilog code

3-bit & 4-bit up/down synchronous counterUp/down counter : circuit, working, ic74193 & its applications Counter circuit diagramUp down counter circuit diagram.

Design a 3-bit gray code counter using jk flip flopsSynchronous decade counter circuit diagram .

Binary Counter Circuit Diagram using IC 555 Timer
3 Bit Synchronous Up Counter Circuit Diagram - Circuit Diagram

3 Bit Synchronous Up Counter Circuit Diagram - Circuit Diagram

[DIAGRAM] Logic Diagram Of Up Down Counter - MYDIAGRAM.ONLINE

[DIAGRAM] Logic Diagram Of Up Down Counter - MYDIAGRAM.ONLINE

3 Bit Up Down Counter Circuit Diagram - Circuit Diagram

3 Bit Up Down Counter Circuit Diagram - Circuit Diagram

Synchronous Counter in Digital Electronics with circuit Diagram

Synchronous Counter in Digital Electronics with circuit Diagram

Up/Down Counter : Circuit, Working, IC74193 & Its Applications

Up/Down Counter : Circuit, Working, IC74193 & Its Applications

Unit 5: Counters

Unit 5: Counters

3 Bit Synchronous Up Counter Circuit Diagram - Circuit Diagram

3 Bit Synchronous Up Counter Circuit Diagram - Circuit Diagram

Synchronous Decade Counter Circuit Diagram

Synchronous Decade Counter Circuit Diagram

← 3 Bit Synchronous Up Down Counter Circuit Diagram 3 Bit Up D 3 Bit Up Down Counter Circuit Diagram Asynchronous 3-bit Up →

YOU MIGHT ALSO LIKE: